PSS2505N1D0399-PSS標準庫存品
掃碼獲取價格庫存技術資料
- 品牌: 廣西nsk滾珠絲杠備貨
- 分類: PSS
- 類型:
- 屬性: PSS2505N1D0399-PSS標準庫存品,1. 什么是滾珠絲杠?,4. 滾珠絲杠螺母的材質一般采用什么?,5. 這個配件的使用壽命有多長?,6. 在設計滾珠絲杠時,如何考慮左右預留長度的問題?,9. 是否可以調整機器的參數或設置來解決轉矩偏大的問題?,5. 這種絲杠的尺寸規格是怎樣的?,6. 制作滾珠絲杠的難度是怎樣的?,6. 滾珠絲杠的缺點有哪些?,1. 滾珠絲杠預拉固定座是什么?,7. 如何避免滾珠絲杠螺母副的過載和過速使用?-PSS2505N1D0399-PSS標準庫存品-提供PSS2505N1D0399-PSS標準庫存品-價格,PSS2505N1D0399-PSS標準庫存品-規格PSS2505N1D0399-PSS標準庫存品-圖紙NSK的PSS滾珠絲杠,出自尖端的摩擦學技術(摩擦制御技術),通過卓越的生產技術和質量管理,生產量穩居世界前列。機床、注塑機、普通機械乃至半導體及液晶的制造裝置等特殊工況所用的從微型到超大型的滾珠絲杠,產品陣容強大。NSK以精益求精的工匠精神制造的滾珠絲杠,為全球產業的發展做出貢獻。。 NSK標準庫存滾珠絲杠小型FA系列 作為高-PSS2505N1D0399-PSS標準庫存品--PSS2505N1D0399-PSS標準庫存品-2. 滾珠絲杠有哪些應用場景?,1. 什么是數控車床滾珠絲杠的間隙?,8. 這種螺帽在機械設備中的作用是什么? ,3. 行星滾珠絲杠的分類標準是什么?,4. 滾珠絲杠軸承有哪些應用領域?,4. 這款滾珠絲杠的生產廠家是誰?,10. 這種滾珠絲杠的銷售渠道和售后服務如何?,1. 什么是雕刻機滾珠絲杠?,6. 滾珠絲杠的制作過程中需要注意哪些細節?,1. 什么是tbimotion滾珠絲杠?
PSS2505N1D0399-PSS標準庫存品 產品參數

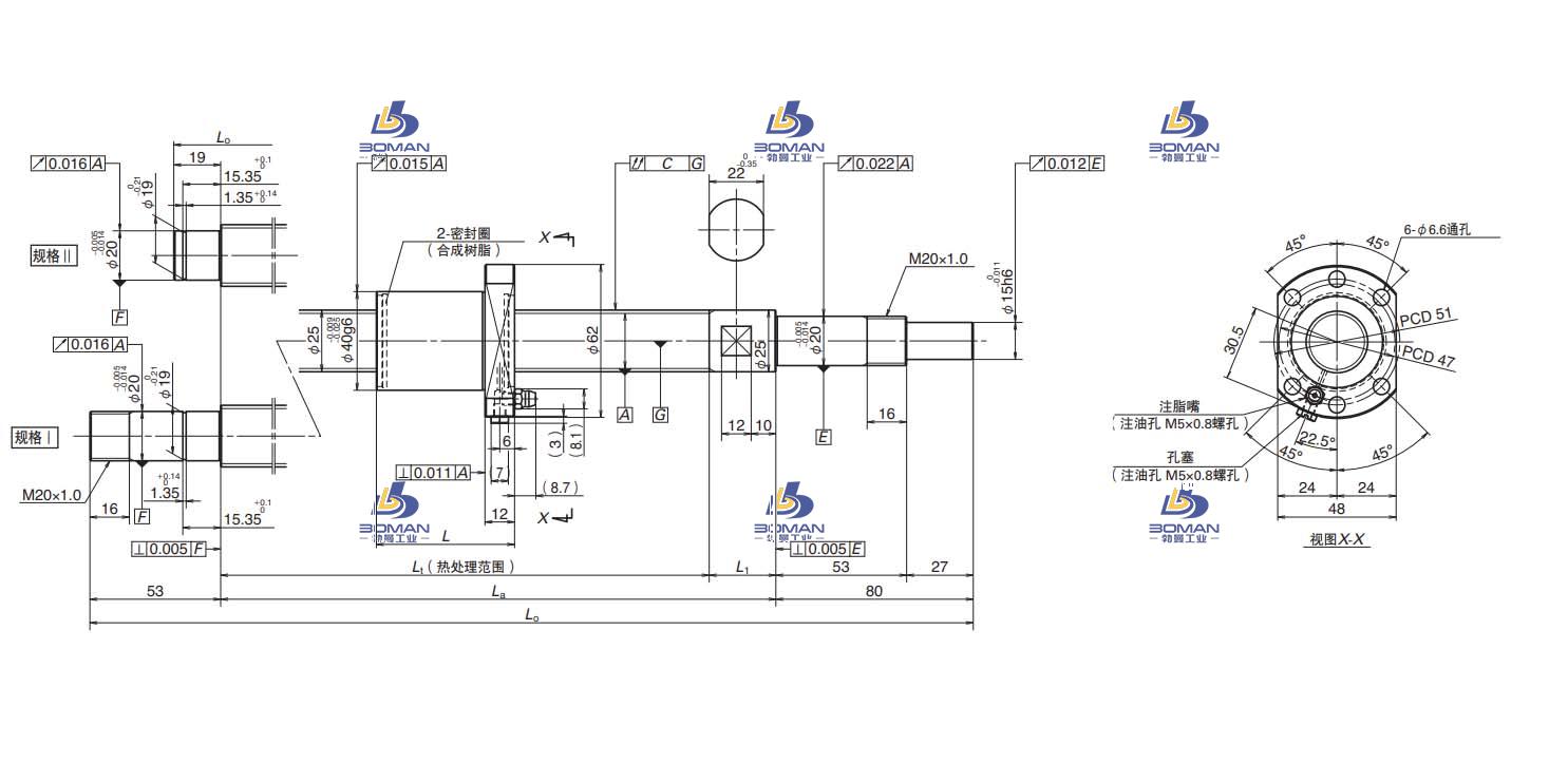
尺寸 單位:mm
| 絲杠軸外徑 | 25 |
|
| 導程 | 5 |
|
| 螺母體外徑 | 40 |
|
| 法蘭直徑 | 62 |
|
| 安裝孔中心距 | PCD | 51 |
| 螺母長度 | L | 32 |
| 有效螺紋段 | Lt | |
| 絲杠全長 | 399 |
|
| 螺母型號 | ||
| 法蘭盤寬度 | ||
| 法蘭厚度 | ||
| 絲杠軸螺紋底徑 | 22.2 |
|
| 鋼球直徑 | 3.175 |
|
| 有效圈數 | - |
|
| 滾珠節圓直徑 | 22.2 |
|
| 螺栓孔尺寸 | ||
| 注油孔 | ||
| 最大行程 | 235 |
|
| 常規行程 | ||
| 額定動負載 | CaN | 11500 |
| 額定靜負載 | C0aN | 23500 |
| 重量 | Kg | 1.6 |
| 軸向間隙 | 0 |
|
| 精度等級 | C5 |
|
| 導程精度代表運行距離誤差 | ep | 0.023 |
| 導程精度變動 | vu | 0.018 |
| 軸心跳動 | 0.035 |
|
| 軸向剛度 | KNm | |
| 軸心擺動 | ||
| 極限轉速固定支撐 | ||
| 推薦支撐座 | ||
| 實物截圖 | ||
| 尺寸截圖 | ||
| 螺母尺寸截圖 | ||
| 樣本 |